当前位置:首页 > 产品展示 > DSZ粉尘加湿搅拌机
DSZ粉尘加湿搅拌机
编辑:  发布时间:2021-07-09 浏览:874

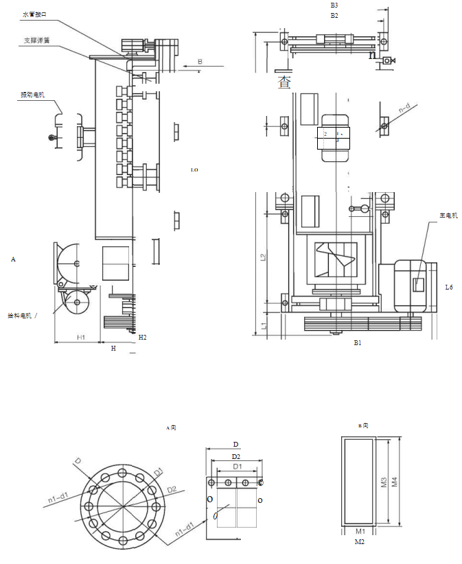
       DSZ系列振动型粉尘加湿机是我公司在DS型粉尘加湿机的基础上,增加振动等装置设计的产品。解决了粘性物料

易造成筒壁粘连的问题。

       DSZ系列加湿搅拌机由供料、输送、混合击打加湿、振动,配以电控和供水系统组成。整机固定在一个机架上,筒 体由四组弹性元件支撑。筒体作高频振动,筒壁与搅拌轴始终保持一定间隙,整机运动阻力大幅减少,杜绝了闷机,堵 转现象。



二,主要技术参数

a.联接示意图

灰仓—给料机—搅拌机—水由阀门组供给



版权所有 张家港市皓麟机械制造有限公司